山东钢铁集团永锋临港有限公司钢材产品碳足迹报告
时间:2023-02-23浏览:
一、前言 PAGEREF _Toc36744882 \h 1
二、评价目的 PAGEREF _Toc36744883 \h 2
三、评价过程和方法 PAGEREF _Toc36744884 \h 3
3.1 评价标准 PAGEREF _Toc36744885 \h 3
3.2 工作组安排 PAGEREF _Toc36744886 \h 3
3.3 评价流程 PAGEREF _Toc36744887 \h 4
3.3.1文件评价 PAGEREF _Toc36744888 \h 4
3.3.2现场访问 PAGEREF _Toc36744889 \h 4
3.3.3报告编写及内部技术复核 PAGEREF _Toc36744890 \h 5
四、评价范围 PAGEREF _Toc36744891 \h 6
4.1 企业基本情况 PAGEREF _Toc36744892 \h 6
4.2评价对象 PAGEREF _Toc36744893 \h 7
4.3系统边界 PAGEREF _Toc36744894 \h 7
4.3.1时间边界 PAGEREF _Toc36744895 \h 7
4.3.2排放源边界 PAGEREF _Toc36744896 \h 7
4.3.3生命周期模式 PAGEREF _Toc36744897 \h 8
五、清单分析 PAGEREF _Toc36744898 \h 8
5.1生产技术 PAGEREF _Toc36744899 \h 8
5.2清单分析 PAGEREF _Toc36744900 \h 8
六、数据收集 PAGEREF _Toc36744901 \h 16
6.1 数据收集和评价过程 PAGEREF _Toc36744902 \h 16
6.1.1 产品数据 PAGEREF _Toc36744903 \h 16
6.1.2 物料数据 PAGEREF _Toc36744904 \h 16
6.1.3 能耗数据 PAGEREF _Toc36744905 \h 18
6.1.4 其他数据 PAGEREF _Toc36744906 \h 19
6.1.5 碳足迹核算系数 PAGEREF _Toc36744907 \h 20
6.2 数据汇总表 PAGEREF _Toc36744908 \h 20
七、产品碳足迹的计算 PAGEREF _Toc36744909 \h 21
7.1 计算公式 PAGEREF _Toc36744910 \h 21
7.2 产品碳足迹评估与分析 PAGEREF _Toc36744911 \h 22
7.3产品碳足迹分析 PAGEREF _Toc36744912 \h 24
7.3.1 按生命周期各环节分析 PAGEREF _Toc36744913 \h 24
7.3.2 按物料、能耗组成分析 PAGEREF _Toc36744914 \h 24
7.4 敏感性分析 PAGEREF _Toc36744915 \h 25
八、不确定性分析 PAGEREF _Toc36744916 \h 25
8.1 分析方法 PAGEREF _Toc36744917 \h 25
8.2 不确定性分析结果 PAGEREF _Toc36744918 \h 28
九、结论 PAGEREF _Toc36744919 \h 29
十、节能减排建议 PAGEREF _Toc36744920 \h 29
附录1 产品碳足迹评价声明 PAGEREF _Toc36744922 \h 30
附录2 文件清单 PAGEREF _Toc36744923 \h 31
一、前言
全球气候系统正在发生重要的变化,联合国政府间气候变化专门委员会(IPCC)在2014年发布的IPCC第五次评估报告中确认世界各地都在发生气候变化,而气候系统变暖是毋庸置疑的。报告明确指出人类对气候系统的影响是明确的,而且这种影响在不断增强,在世界各个大洲都已观测到种种影响。如果任其发展,气候变化将会增强对人类和生态系统造成严重、普遍和不可逆转影响的可能性。
“碳足迹”(Carbon footprint)被用来描述产品或服务从生产、消费到废弃的整个生命周期过程中温室气体的排放量。有效地控制碳足迹,既可以减少温室气体的排放量,减少对环境的影响,又可以节约能源的消耗。有效的碳信息汇报和碳减排已成为各生产型企业控制生产成本、提高企业竞争力的方法,在社会各界中逐渐达成了可持续发展的共识。
“十四五”规划中也提到要主动控制碳排放,有效控制碳排放总量,为加快推进绿色低碳发展,确保完成“十三五”规划纲要确定的低碳发展目标任务,推动我国二氧化碳排放2030年左右达到峰值并争取尽早达峰,国务院印发了控制温室气体排放工作方案,温室气体控排力度进一步加大,对企业碳管理提出更高的要求。碳足迹评价在企业碳管理过程中具有极其重要的作用,是实现节能减排必须解决的问题。
钢材是人类活动中不可或缺的重要组成部分,在国民经济中占有重要地位,其对于人类经济和社会发展有着重大的现实意义。对相关企业而言,率先实施碳足迹核算和评估,无疑是最好的选择。碳足迹核算与评估有助于企业了解碳足迹相关政策与法规和碳足迹的核算原则和过程;在碳足迹交易市场上把握先机,从中获益;改善能源效益,节省长远开支;未雨绸缪,迎接国家法律和贸易壁垒的挑战;吸引新顾客,保留老顾客,在市场竞争中脱颖而出;履行社会责任,树立良好企业形象;实施简单,成本低廉。
二、评价目的
山东钢铁集团永锋临港有限公司由山钢集团和永锋集团共同出资设立,是全省第一家按照山东省钢铁工业规划实施产能转移的企业。公司由山钢集团和永锋集团共同出资设立,出资方均为“中国500强企业”,采取混合所有制模式建设运营,充分发挥国有企业与民营企业的优势。项目总投资约300亿元,投资强度不低于400万元/亩,主要包括年产600万吨优特钢及其配套焦化和精细化工项目。项目分两期建设,一期项目投资136.6亿元,第一条产线2021年6月份热试。二期项目与一期项目间隔半年开工。公司坐落于临沂临港经济开发区,总占地6947亩,其中一期项目占地4655亩,投资136.6亿元,是集智能化与绿色环保于一体的大型产业链延伸项目,一期项目年产244万吨铁、270万吨钢、290万吨钢材。该项目钢铁部分已于2021年10月份投入运行。
此次评价对象为山东钢铁集团永锋临港有限公司生产的钢材产品,涉及生产工序包括烧结、球团、炼铁、炼钢、轧钢、包装、物流等环节。通过碳足迹评价,将达到以下目的:
1) 核算单位产品碳足迹,有利于绿色工厂的认证与实施。
2) 通过对比用于产品生产的各项能源、资源、物料碳足迹数据,找出影响产品碳足迹的关键要素,有利于有针对性地升级生产技术和改造生产工艺,优化供应结构,从而实现节能、降耗、减排目标。
3) 通过此次核算,最终让企业明确自身碳排放现状,寻找节能减排机会,最终建立绿色环保的竞争优势。为低碳产品认证、碳排放核查、排污权交易做信息储备。
三、评价过程和方法
3.1 评价标准
- ISO/TS 14067-2013《温室气体.产品的碳排放量.量化和通信的要求和指南》
-PAS2050:2011《商品和服务在生命周期内的温室气体排放评价规范》
3.2 工作组安排
依据ISO/TS 14067-2013《温室气体.产品的碳排放量.量化和通信的要求和指南》,以及PAS2050:2011《商品和服务在生命周期内的温室气体排放评价规范》,根据核算任务以及企业的规模、行业,按照山东正向国际低碳科技有限公司内部工作组人员能力及程序文件的要求,此次工作组由下表所示人员组成。
表3-1 工作组成员表
|
序号 |
姓名 |
职务 |
职责分工 |
|
1 |
刘继辉 |
组长 |
产品碳足迹排放边界的确定,2022年产品生产过程中涉及的各类物料和能源资源数据收集、原物料统计报表、能源统计报表及能源利用状况等。产品碳足迹报告的撰写。 |
|
2 |
蔡洋 |
组员 |
收集了解企业基本信息、产品情况、原物料情况、计量设备、主要耗能设备情况,资料整理,排放量计算及结果核算。 |
3.3 评价流程
3.3.1文件评价
根据PAS2050,工作组于2023年1月16日对企业提供的支持性文件进行了查阅,详见评价报告附录“文件清单及主要文件样张”。
工作组通过查阅以上文件,识别出现场访问的重点为:现场查看企业产品的生产工艺流程,原辅料消耗情况,实际排放设施和测量设备,现场查阅企业的支持性文件,通过交叉核对判断企业提供的能源和物料消耗量数据是否真实、可靠、正确。
3.3.2现场访问
工作组于2023年1月30日进行了现场核查。企业主要负责人介绍了企业的具体情况,并对文件评价阶段提出的问题进行了沟通解答。会议的时间、对象及主要内容如表3-2所示:
|
时间 |
访谈对象 |
部门 |
访谈内容 |
|
2023年2月1日 |
曲同清 |
动力能源部 |
Ÿ 介绍企业的基本情况、生产经营情况; Ÿ 介绍企业组织机构设置情况; Ÿ 介绍企业管理现状。 Ÿ 介绍企业产品情况及生产工艺; Ÿ 介绍产品生产过程中各工序物料及能源使用情况; Ÿ 介绍企业物料及能源计量、统计情况。 介绍评价产品的生产、销售及原辅料购买情况,提供相关数据。 |
|
何际多 |
品质保证部 |
3.3.3报告编写及内部技术复核
工作组于2023年2月3日编制碳足迹报告初稿,2023年2月6日形成最终碳足迹报告。
为保证编写质量,碳足迹评价工作实施组长负责制、技术复核人复核制、质量管理委员会把关三级质量管理体系。即对每一个碳足迹评价项目均执行三级质量校核程序,且实行质量控制前移的措施及时把控每一环节的工作质量。碳足迹评价工作的第一负责人为工作组组长。工作组组长负责在评价过程中对工作组成员进行指导,并控制最终碳足迹报告的质量;技术复核人负责在最终碳足迹报告提交给客户前控制最终碳足迹报告的质量;报告批准人负责整体工作质量的把控,以及报告的批准工作。
技术复核人及报告批准人情况见表3-3。
|
序号 |
姓名 |
职责 |
行业领域 |
是否进行现场访问 |
|
1 |
杨柳 |
技术复核 |
化工、电力、钢铁、石化、机械 |
否 |
|
2 |
张静波 |
报告批准 |
电力、钢铁、建材、石化、化工、造纸、有色、其他行业 |
否 |
四、评价范围
4.1 企业基本情况
山东钢铁集团永锋临港有限公司由山钢集团和永锋集团共同出资设立,是全省第一家按照山东省钢铁工业规划实施产能转移的企业。公司由山钢集团和永锋集团共同出资设立,出资方均为“中国500强企业”,采取混合所有制模式建设运营,充分发挥国有企业与民营企业的优势。项目总投资约300亿元,投资强度不低于400万元/亩,主要包括年产600万吨优特钢及其配套焦化和精细化工项目。项目分两期建设,一期项目投资136.6亿元,第一条产线2021年6月份热试。二期项目与一期项目间隔半年开工。企业坐落于临沂临港经济开发区,总占地6947亩,其中一期项目占地4655亩,投资136.6亿元,是集智能化与绿色环保于一体的大型产业链延伸项目,一期项目年产244万吨铁、270万吨钢、290万吨钢材。该项目钢铁部分已于2021年10月份投入运行。
企业成立于2019年4月28日,注册资本800000万元人民币,现有员工2554人,三班三倒,24h连续生产。企业位于临沂市临港区域高端不锈钢与先进特钢园区,主要产品是棒材和线材。企业现有上下游主要配套协作企业超25家,主要有上海宝冶集团有限公司、中国建筑一局(集团)有限公司、山东兖矿国际焦化有限公司、山东诚业发展有限公司等。
企业定位为建设高效、循环、高端、环保与智慧的标杆企业,并采用行业领先的智能化冶炼工艺和先进的装备,环保实现超低排放,形成向客户、民众开放的工业旅游及展览中心,形成运营模式一体化、运行状态高效化、功能多元化,打造成国内焦钢化氢循环发展的标杆企业和灯塔工厂。
4.2评价对象
本次碳足迹评价对象为:1t钢材产品。
4.3系统边界
4.3.1时间边界
核算的时间边界为2022年1月1日至2022年12月31日。
4.3.2排放源边界
系统边界确定了产品碳足迹的范围,即碳足迹评价应包括哪些生命周期阶段、投入和产出。根据PAS2050:2011,用于原材料转变的所有流程、产品生命周期内能源供应和使用、制造和提供服务、设施运行、运输、储存所产生的GHG排放,应纳入边界范围。厂房、机器设备等的使用维修及折损,工人日常生活所引发的碳足迹皆不在核算边界之内。
由于产品边界内排放源较多且排放情况复杂,PAS2050允许排除不超过总排放量1%的非实质性排放;与生活相关活动温室气体排放量不计,包括雇员上下班通勤、公务旅行、人工劳动等;办公室所产生的排放量计算结果难以有普适作用,因此排放系统计算时将此部分温室气体排放忽略不计。综上,对于本次评价,以上排放源没有计入。
对于本企业产品碳足迹核算的空间边界包括山东钢铁集团永锋临港有限公司1t钢材产品的原辅料生产、原辅料运输、产品生产与包装、废弃物处理和成品运输全过程,具体包括生产区域、生产辅助区域、物料运输的能耗和物耗(原料、辅料、包装材料)。
4.3.3生命周期模式
根据PAS2050,产品在生命周期的内GHG排放评价应在以下方式中进行选择:
a) 从商业-到-消费者的评价(B2C),包括产品在整个生命周期内所产生的排放;
b) 从商业-到-商业的评价(B2B),包括直到输入到达一个新的组织之前所释放的GHG排放(包括所有上游排放)。
在计算B2C产品的碳足迹时,典型的流程图步骤包括生命周期全过程:从原材料,通过生产、制造、分销和零售,到消费者使用,以及最终处置或再生利用;B2B的碳足迹停留在产品被提供给另一个制造商的节点上,计算产品碳足迹时只包括从原材料通过生产直到产品到达一个新的组织。
本次产品碳足迹的评价是针对1t钢材产品生产过程的GHG排放的跟踪计算,因此采用从“商业-到-商业”(B2B)的生命周期模式。
五、清单分析
5.1生产技术
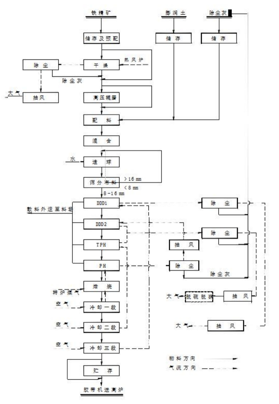
企业为钢铁生产联合企业,主要的产品为粗钢和钢材,生产工艺流程如图5-1至5-7所示:
图5-1烧结生产工艺流程图
图5-2球团生产工艺流程图
图5-3高炉炼铁生产工艺流程图
图5-4转炉炼钢生产工艺流程图
图5-5连铸生产工艺流程图
图5-6棒材生产工艺流程图
图5-7线材生产工艺流程图
5.2清单分析
评价组通过现场访谈以及查看相关资料,明确了产品所涉及的活动包括:
Ÿ 原辅料获取,排放源为评价产品的原辅料生产过程导致的排放;
Ÿ 原料运输至厂内,排放源包括运输车辆燃料消耗产生的排放;
Ÿ 产品生产,排放源包括评价产品生产过程能源消耗导致的排放;
Ÿ 产品生产过程的废弃物处理,排放源包括各类废弃物处理和包装导致的排放;
Ÿ 产品包装,排放源为产品包装的带入排放;
Ÿ 物料厂内运输,排放源为原辅料、产品和废弃物在厂内运输过程中能源消耗产生的排放;
Ÿ 产品运输至下游厂家,排放源为运输车辆燃料消耗产生的排放。
根据上述活动,依据产品生产工艺流程图以及辅助工序工艺,确定产品涉及的物料、能源消耗清单,如表5-1所示:
表5-1钢材产品生产各阶段生命周期清单分析
|
生命周期各环节 |
原辅料获取 |
原辅料运输 |
产品生产 |
产品包装 |
废弃物处理 |
厂内运输 |
产品 运输 |
|
原料消耗 |
铁矿粉、块矿 |
柴油 |
原料在生产过程产生温室气体 |
/ |
/ |
/ |
/ |
|
辅料消耗 |
石灰石、白云石、合金、废钢 |
柴油 |
辅料在生产过程产生温室气体 |
/ |
/ |
/ |
/ |
|
能源消耗 |
煤、焦炭 |
柴油 |
电、煤气 |
能耗排放归结到生产能耗中 |
/ |
汽油 |
柴油 |
六、数据收集
6.1 数据收集和评价过程
在山东钢铁集团永锋临港有限公司相关领导及员工的密切配合下,本项目取得了详细的碳足迹核算所需数据,数据收集的时间范围是2022年。
6.1.1 产品数据
表6-1 产品产量
|
数据项 |
钢材产量 |
|
数据值 |
4755521.03 |
|
单位 |
t |
|
数据来源 |
《2022年生产报表》 |
6.1.2 物料数据
表6-2 铁矿粉消耗量
|
数据项 |
用于钢材产品生产的铁矿粉消耗量 |
||||||
|
数据值 |
5203800 |
||||||
|
单位 |
t |
||||||
|
数据来源 |
来源于《2022年生产报表》。 钢材产品生产的铁矿粉消耗与产品产量见下表:
|
表6-3块矿消耗量
|
数据项 |
用于钢材产品生产的块矿消耗量 |
||||||
|
数据值 |
485700 |
||||||
|
单位 |
t |
||||||
|
数据来源 |
来源于《2022年生产报表》。 钢材产品生产的块矿消耗与产品产量见下表:
|
表6-4石灰石消耗量
|
数据项 |
用于钢材产品生产的石灰石消耗量 |
||||||
|
数据值 |
667400 |
||||||
|
单位 |
t |
||||||
|
数据来源 |
来源于《2022年生产报表》。 钢材产品生产的皂石灰石消耗与产品产量见下表:
|
表6-5 白云石消耗量
|
数据项 |
用于钢材产品生产的白云石消耗量 |
||||||
|
数据值 |
484790 |
||||||
|
单位 |
t |
||||||
|
数据来源 |
来源于《2022年生产报表》。 钢材产品生产的白云石消耗与产品产量见下表:
|
表6-6 废钢消耗量
|
数据项 |
用于钢材产品生产的废钢消耗量 |
||||||
|
数据值 |
1152100 |
||||||
|
单位 |
t |
||||||
|
数据来源 |
来源于《2022年生产报表》。 钢材产品生产的废钢消耗与产品产量见下表:
|
6.1.3 能耗数据
表6-7 煤炭消耗量
|
数据项 |
用于钢材产品生产的煤炭消耗量 |
||||||
|
数据值 |
627821.07 |
||||||
|
单位 |
t |
||||||
|
数据来源 |
来源于《2022年生产报表》,包含产品生产的煤炭消耗。 钢材产品生产的煤炭消耗与产品产量见下表:
|
表6-8 焦炭消耗量
|
数据项 |
用于钢材产品生产的焦炭消耗量 |
||||||
|
数据值 |
1478953 |
||||||
|
单位 |
t |
||||||
|
数据来源 |
来源于《2022年生产报表》,包含产品生产的焦炭消耗。 钢材产品生产的焦炭消耗与产品产量见下表:
|
表6-9 电力消耗量
|
数据项 |
用于钢材产品生产的电力消耗量 |
||||||
|
数据值 |
66508.99 |
||||||
|
单位 |
万kWh |
||||||
|
数据来源 |
来源于《2022年生产报表》,包含产品生产、产品包装、辅助生产的电力消耗。 钢材产品生产的电力消耗与产品产量见下表:
|
6.1.4 其他数据
表6-10 原材料运输里程数
|
数据项 |
物料运输里程数 |
||||||||||||||||||
|
数据值 |
见数据来源表格 |
||||||||||||||||||
|
单位 |
km |
||||||||||||||||||
|
数据来源 |
由生产厂家和公司之间距离确定。 钢材产品生产原料单程运输距离:
|
表6-11产品运输里程数
|
数据项 |
产品运输里程数 |
|||
|
数据值 |
见数据来源表格 |
|||
|
单位 |
km |
|||
|
数据来源 |
由公司运输到消费厂家之间的单程距离确定:
|
6.1.5 碳足迹核算系数
在进行碳足迹核算时需要相关能耗、物耗的碳足迹系数,如下表所示:
表6-11 各能源、物料碳足迹系数
|
类别 |
项目 |
碳足迹 系数 |
单位 |
数据准确度 |
具体来源 |
|
能源 |
电力 |
1.04 |
kgCO2e/kWh |
4 |
文献-《用于组织和产品碳足迹的中国电力温室气体排放因子》 |
|
煤炭 |
2.2325 |
kgCO2e/kg |
5 |
中国国家标准化管理委员会(2018)-煤炭生产企业 |
|
|
焦炭 |
2.7619 |
kgCO2e/kg |
5 |
中国国家标准化管理委员会(2018)-煤炭生产企业 |
|
|
原料 |
铁矿粉 |
0.219 |
kgCO2e/kg |
6 |
根据Defra数据及价格计算,详见表6-35 |
|
块矿 |
0.219 |
kgCO2e/kg |
6 |
根据Defra数据及价格计算,详见表6-35 |
|
|
石灰石 |
0.440 |
kgCO2e/kg |
6 |
根据Defra数据及价格计算,详见表6-35 |
|
|
白云石 |
0.471 |
kgCO2e/t |
6 |
根据Defra数据及价格计算,详见表6-35 |
|
|
废钢 |
0.0154 |
kgCO2e/t |
6 |
根据Defra数据及价格计算,详见表6-35 |
|
|
原料运输 |
单位公里载重 |
0.19639 |
kgCO2e/t.km |
6 |
Defra /DECC |
|
产品运输 |
单位公里载重 |
0.19639 |
kgCO2e/t.km |
6 |
Defra /DECC |
6.2 数据汇总表
产品碳足迹活动水平数据汇总情况见表6-12、表6-13。
表6-12 2022年产品信息及产量汇总
|
产品名称 |
产量(t) |
|
钢材 |
4755521.03 |
表6-13 2022年钢材产品能源、物料消耗数据汇总
|
生命周期各环节 |
活动水平参数 |
活动水平数据 |
单位 |
|
原辅料获取 |
铁矿粉消耗量 |
5203800 |
t |
|
块矿消耗量 |
485700 |
t |
|
|
石灰石消耗量 |
667400 |
t |
|
|
白云石消耗量 |
484790 |
t |
|
|
废钢消耗量 |
1152100 |
t |
|
|
原辅料运输 |
铁矿粉运输公里数 |
200 |
km |
|
块矿运输公里数 |
200 |
km |
|
|
石灰石运输公里数 |
300 |
km |
|
|
白云石运输公里数 |
200 |
km |
|
|
废钢运输公里数 |
200 |
km |
七、产品碳足迹的计算
7.1 计算公式
采用碳足迹系数法进行计算,详见公式(7-1);
公式(7-1)
式中:
——产品碳足迹,kgCO2e;
Mi——第i种能源和物料的消耗量,质量/体积/kWh;
Ni——第i种能源和物料的碳足迹系数,kgCO2e/体积或kgCO2e/质量或kgCO2e/kW·h。
7.2 产品碳足迹评估与分析
表7-1 2022年度钢材产品碳足迹计算结果
|
生命周期各环节 |
活动水平参数 |
活动水平数据 |
单位 |
碳足迹系数 |
单位 |
碳排放量(tCO2e) |
比例(%) |
|
原辅料获取 |
铁矿粉消耗量 |
5203800 |
t |
0.219 |
kgCO2e/kg |
1139.632 |
0.163 |
|
块矿消耗量 |
485700 |
t |
0.219 |
kgCO2e/kg |
106.368 |
0.015 |
|
|
石灰石消耗量 |
667400 |
t |
0.440 |
kgCO2e/kg |
293.656 |
0.042 |
|
|
白云石消耗量 |
484790 |
t |
0.471 |
kgCO2e/kg |
228.336 |
0.034 |
|
|
废钢消耗量 |
1152100 |
t |
0.0154 |
kgCO2e/kg |
17.742 |
0 |
|
|
原料运输 |
铁矿粉运输公里数 |
200 |
km |
0.19639 |
kgCO2e/t.km |
0.039 |
0 |
|
块矿运输公里数 |
200 |
km |
0.19639 |
kgCO2e/t.km |
0.039 |
0 |
|
|
石灰石运输公里数 |
300 |
km |
0.19639 |
kgCO2e/t.km |
0.059 |
0 |
|
|
白云石运输公里数 |
200 |
km |
0.19639 |
kgCO2e/t.km |
0.039 |
0 |
|
|
废钢运输公里数 |
200 |
km |
0.19639 |
kgCO2e/t.km |
0.039 |
0 |
|
|
产品生产 |
电力消耗量 |
66508.99 |
万kWh |
1.04 |
kgCO2e/kWh |
691693.496 |
98.960 |
|
煤炭消耗量 |
627821.07 |
t |
2.2325 |
kgCO2e/kg |
1401.611 |
0.202 |
|
|
焦炭消耗量 |
1478953 |
t |
2.7619 |
kgCO2e/kg |
4084.720 |
0.584 |
|
|
产品运输 |
运输公里数 |
500 |
km |
0.19639 |
kgCO2e/t.km |
0.098 |
0 |
|
总碳足迹(tCO2e) |
698965.874 |
100 |
|||||
|
产品产量(t) |
4755521.03 |
||||||
|
产品碳足迹(tCO2e/吨) |
0.147 |
||||||
7.3产品碳足迹分析
7.3.1 按生命周期各环节分析
表7-2 2022年度钢材产品碳足迹构成
|
生命周期各环节 |
碳排放量(tCO2e) |
碳排放比例(%) |
|
原辅料获取 |
1785.734 |
0.256 |
|
原辅料运输 |
0.215 |
0 |
|
产品生产 |
697179.827 |
99.744 |
|
产品运输 |
0.098 |
0 |
|
总碳排放 |
698965.874 |
100 |
由表7-1可知,钢材产品碳足迹构成大小为:产品生产>原辅料获取>原辅料运输>产品运输,产品生产环节的碳足迹占总碳足迹最大,达99.744%。
7.3.2 按物料、能耗组成分析
进一步分析产品生产环节的碳足迹构成,其物料、能耗的碳足迹如表7-3所示。
表7-3 2022年度钢材产品生产环节碳足迹构成
|
类别 |
活动水平参数 |
碳排放量(tCO2e) |
碳排放比例(%) |
|
产品生产 |
电力消耗量 |
691693.496 |
99.21 |
|
煤炭消耗量 |
1401.611 |
0.20 |
|
|
焦炭消耗量 |
4084.72 |
0.59 |
|
|
产品生产环节总碳排放 |
697179.827 |
100 |
|
由7-3可知,钢材产品生产过程中能源消耗碳足迹为:电力,因此,电力使用是钢材产品低碳控制的关键要素。
7.4 敏感性分析
以下对电力消耗量进行敏感性分析,考察能源资源使用量的变化对碳足迹变化的敏感程度,结果如表7-4所示。
表7-4 钢材产品碳足迹敏感性分析
|
参数 |
原总碳足迹(tCO2e) |
减后总碳足迹(tCO2e) |
碳足迹差值(tCO2e) |
总量减少比例(%) |
|
|
钢材产品碳足迹 |
电力消耗量减少10%时 |
697179.827 |
627461.844 |
69717.983 |
10 |
将占总碳足迹比例较大的活动数据数值减少10%,考察对整体碳足迹的影响。由于评价对象碳足迹成分复杂,碳足迹总量大,在相应活动水平数据减少10%时,对其碳足迹总量影响大于8%。说明电力消耗量变化对钢材产品的总碳足迹的变化影响最大。
八、不确定性分析
8.1 分析方法
首先,需要对清单中数据的来源进行质量评估,从数据的可靠性和相关性两个方面来评估。可靠性选定为统计代表性、时间代表性和数据来源三个指标;相关性选定地理代表性和技术代表性两个指标,如表8-1。
其次,在对不确定性的各项指标进行综合评定时,采用对各指标进行加权平均的方法,参见公式8-1。可靠性中3个指标各占1/3,相关性中2个指标各占1/2。最终得分高,则数据质量好,不确定性低;反之得分低,则数据质量差,不确定性高,数据质量等级参照表8-2。
表8-1 数据可靠性量化指标
|
指标值 |
9 |
7 |
5 |
3 |
1 |
|
统计代表性 |
全面统计 |
重点统计或典型统计 |
抽样调查频次高于每月天一次 |
抽样调查频次1-3月每次 |
抽样调查频次低于3月每次;抽样频次未知 |
|
时间代表性 |
研究目标当月数据 |
与研究目标当月差距3月以内 |
与研究目标当月差距3~8月 |
与研究目标当月差距8~18月 |
与研究目标当月差距18月以上;未知数据年代 |
|
数据 来源 |
三级测量数据/实际数据 |
平均数据 |
经验数据 |
额定数据 |
未知 |
|
地理代表性 |
研究目标区域 |
与研究目标区域地理条件大部分相同 |
与研究目标区域地理条件类似 |
与研究目标区域地理条件部分类似 |
与研究目标区域地理条件完全不同;未知地理条件 |
|
技术代表性 |
生产现场 |
技术水平档次相差为0 |
技术水平档次相差为1 |
技术水平档次相差为2 |
技术水平档次相差为3 |
公式(8-1)
式中:
Q——数据质量等级分;
——数据的统计代表性质量等级分;
——数据的时间代表性质量等级分;
——数据的来源质量等级分;
——数据的地理代表性质量等级分;
——数据的技术代表性质量等级分。
表8-2 数据质量等级
|
得分 |
数据质量 |
不确定性大小 |
|
8≤不确定性≤9 |
最高 |
最小 |
|
7≤不确定性≤8 |
较高 |
较小 |
|
6≤不确定性≤7 |
较差 |
较大 |
|
不确定性≤6 |
差 |
非常大 |
按照各碳足迹构成占总碳足迹的比例,对各碳足迹构成的等级分进行加权平均,可获得核算结果的等级分,参见表8-2所示的数据等级,即可获得核算结果的数据等级。具体参见公式(8-2):
公式(8-2)
式中:
QAVG——核算结果的数据质量等级分;
Q——各碳足迹构成的数据质量等级分;
η——各碳足迹构成占总碳足迹的比例。
8.2 不确定性分析结果
表8-3 钢材产品碳足迹可靠性分析结果
|
项目 |
原料 |
产品生产 |
原辅材料运输 |
产品运输 |
|
统计代表性(q1) |
9 |
9 |
7 |
7 |
|
时间代表性(q2) |
9 |
9 |
9 |
9 |
|
数据来源(q3) |
9 |
9 |
7 |
7 |
|
地理代表性(q4) |
7 |
9 |
7 |
7 |
|
技术代表性(q5) |
9 |
9 |
7 |
7 |
|
单个投入产出不确定性 |
8.5 |
9 |
7.3 |
7.3 |
|
产品碳足迹占比 |
0.256% |
99.744% |
0 |
0 |
|
总体不确定性 |
8.22 |
|||
由表8-3可知,评价产品碳足迹中,产品生产的可靠性是9,数据质量最高,不确定性最小;原辅料获取可靠性是7,不确定性最大。数据总体不确定性分别为8.22%,数据质量较高,不确定性较小。
九、结论
Ø 2022年钢材产品总碳足迹值为:698965.874tCO2,产品碳足迹为0.147tCO2/t。
Ø 钢材产品碳足迹的构成因素中,电力的碳足迹占比最大,占产品碳足迹总量的98.960%。各类能源资源中,电力是钢材产品低碳控制的关键要素。
十、节能减排建议
通过前章结论,钢材产品碳足迹中,能源资源贡献最大。因此为了减少产品碳足迹,应聚焦在节能降耗方面,具体措施建议如下:
1. 建议企业积极开展节能诊断工作(含数据分析、节能潜力估算、技改匹配等),摸清能源消耗的具体情况,提出符合企业实际情况的节能降耗措施及建议。
2.能源资源使用导致的碳排放占比最大,掌握自身能源管理水平和能源利用状况,挖掘节能潜力,降低能源资源消耗和碳排放量。
3.按照企业实际生产情况灵活调控设备使用情况,以减少不必要的能源消耗。建议年假期间和生产淡季尽量集中安排生产,避免机器开关机而损失能源。
附录
附录1 产品碳足迹评价声明
|
产品名称: |
钢材产品 |
|
企业名称: |
山东钢铁集团永锋临港有限公司 |
|
地址: |
山东省临沂市临港经济开发区坪上镇黄海八路0001号 |
|
核查依据标准及准则: |
ISO 14067:2013 & PAS 2050:2011 |
|
单位产品碳足迹: |
钢材产品:0.147tCO2/t |
|
系统边界: |
核算的时间边界为从2022年1月1日至2022年12月31日。钢材产品包含原辅料生产、原辅料运输、产品生产与成品运输全过程。 |
|
评价机构: |
山东正向国际低碳科技有限公司 |
附录2 文件清单
|
序号 |
内容 |
|
1 |
企业营业执照 |
|
2 |
企业简介 |
|
3 |
组织机构图 |
|
4 |
厂区布面图 |
|
5 |
2022年生产报表 |
|
6 |
财务发票 |
|
7 |
产品原材料运输距离 |
|
8 |
现场访问名单表 |
上一篇:2022年度社会责任报告
下一篇:重点排污单位环境信息披露年度报告
